江蘇七氟丙烷氣體滅火系統產品特點及防護區的要求
七氟丙烷氣體滅火系統產品特點
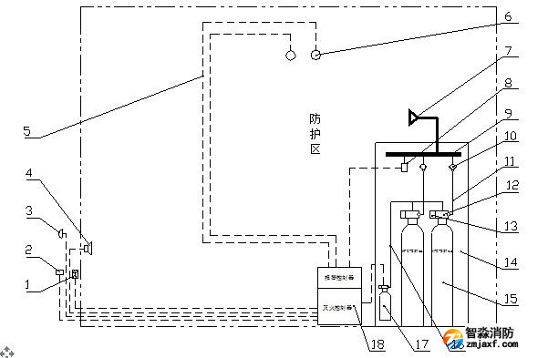
智淼消防氣體滅火安裝公司精心研制開發的ZQG柜式七氟丙烷氣體滅火裝置設計合理、先進,關鍵部位采用新材料,產品性能可靠,其主要指標達到國內領先水平。各項指標均已通過國家固定滅火系統和耐火構件質量監督檢驗中心檢測。氣體滅火安裝● 柜式七氟丙烷滅火裝置工作原理圖見圖1

| 1.緊急啟停按鈕 | 2.放氣指示燈 | 3.光報警器 | 4.聲報警器 |
| 5電氣控制線路 | 6.火災探測器 | 7.噴嘴 | 8.信號反饋裝置 |
| 9.集流管 | 10.液流單向閥 | 11.高壓軟管 | 12.滅火劑容器閥 |
| 13.機械應急啟動把手 | 14.柜體 | 15.滅火劑儲存容器 | 16.啟動管路 |
| 17.啟動裝置 | 18.報警滅火控制器 |
圖2 氣體滅火裝置動作控制程序圖


七氟丙烷氣體滅火系統對防護區的要求
1、 防護區的最低環境溫度不應低于0℃.2、 防護區維護結構及門窗的耐火極限均不應低于0.5h;吊頂的耐火極限不應低于0.25h。http://www.tkdv.cn/
3、 防護區維護結構承受內壓的允許壓強,不宜低于1.2kPa。
4、 防護區滅火時應保持封閉條件,除泄壓口以外的開口,以及用于該防護區的通風機和通風管道中的防火閥,在噴放七氟丙烷前,應做到關閉。
? ? ? ? 江蘇智淼氣體滅火有限公司是一家氣體滅火系統整合,氣體滅火設計,組裝,調試等專業的氣體滅火系統集成商,我們的產品分“有管網七氟丙烷氣體滅火系統”、“無管網七氟丙烷氣體滅火系統”我們與數多家氣體控制主機商深度合作,有利達氣體控制系統,海灣氣體控制盤,北大青鳥,泰和安等氣體滅火控制系統品牌,智淼君安自主氣體滅火控制柜,本公司專業從事七氟丙烷、氣溶膠、超細干粉、IG541氣體、 二氧化碳、泡沫等滅火系統的銷售、安裝及售后服務為一體的高科技民營企業。公司技術力量雄厚,擁有一支專業的工程設計和安裝技術服務隊伍,并建立了完善的質量保障和售后服務管理體系,江蘇氣體滅火管網:http://www.tkdv.cn/;氣體滅火服務熱線:4006-598-119






蘇公網安備32058102002161號